Бүтээгдэхүүн
Автомат гэрэл сольогч тай
  • Автомат гэрэл сольогч тайАвтомат гэрэл сольогч тай
  • Автомат гэрэл сольогч тайАвтомат гэрэл сольогч тай
  • Автомат гэрэл сольогч тайАвтомат гэрэл сольогч тай
  • Автомат гэрэл сольогч тайАвтомат гэрэл сольогч тай

Автомат гэрэл сольогч тай

Xucky өндөр чанарын автомат гэрэл асаах цаг хугацаа, Alst8 Stace Strase Timer-ийг DIN төмөр зам дээр ашиглах боломжтой. Энэ нь 1 минутаас 7 минутаас 7 минутын хооронд ажиллана, цахим хэт ачаалал хамгаалдаг.

Xucky өндөр чанарын автомат гэрэл асаах цаг хугацаа, Alst8 Stace Strase Timer-ийг DIN төмөр зам дээр ашиглах боломжтой. Энэ нь 1 минутаас 7 минутаас 7 минутын хооронд ажиллана, цахим хэт ачаалал хамгаалдаг.

● Байнгын гэрлийг асаахын тулд сэлгэх

● Хаалттай хэлхээний одоогийн хэрэглээ байхгүй байна

● Гадаад товчлуур солих хяналт

● Синхрон моторт хөтөчтэй холбоотой найдвартай

● хөндлөнгөөс гарах мэдрэмж бага

● Нарийвчлалтай механик, тиймээс шууд шилжих хугацаа

● Туйлын хэмжээнд хамгийн хялбар, шууд хойшлуулах хугацаа


Тодорхойлолт / төрөл анги

Xucky өндөр чанарын автоматжуулагчийн шилжүүлэгч TEARER нь цахилгаан шилжүүлэгч хайрцагт 1 минутаас 7 минутын турш тоолох хугацааг ашиглах боломжтой. Энэ нь мөн хэвийн горимд шилжиж ажиллах боломжтой. Тоолуурын цаг шилжүүлэгч нь илүү их газар ашиглах боломжтой өөр газар (NEON-тэй эсвэл NEONEL) олон шилжүүлэгчтэй холболтыг холбодог.


Бүтээгдэхүүний сонголт

Цахилгаан хүчдэл

230Vac

Олон дахилт

50 цаг

Шилжих хүчин чадал

0 w


Хамгийн их санал болгож буй ачаалал (10,000 үйл ажиллагаа)

Essenstencent / Halogen Lamp ачаалал 230V ачаалал

Флюресцент чийдэнгийн ачаалал (ердийн) хар тугалга

Флюресцент чийдэнгийн ачаалал (ердийн) зэрэгцээ залруулсан

Эрчим хүч хэмнэх чийдэн

LED чийдэн <2 w

Лед LED LAID 2-8 W

Лед LEDA> 8 W

2300 W

2300 VA

1300 VA 70 мкф

150 w

30 w

300 w

300 w


Техникийн өгөгдөл

Флюресцент чийдэнгийн ачаалал (цахим чигжээс)

600 W

Холболтын төрөл

3- / 4 дамжуулагч

Хоёрдогч шилжих

30-аад оны дараа

Орон сууц, дулаалгын материал

Өндөр температурт тэсвэртэй, өөрийгөө унтраах термопластик

Хэрэглээ

0 w

Хамгаалалтын төрөл

IP 20

Хамгаалах анги

-10 ~ +50 ° C (мөстөхгүй)

Оруулсан орчны температур

-10 ~ +50 ° C (мөстөхгүй)

Шалгаж засварыг батлах

Члэл авчээ


Анилга

Одоогийн хэмжэлт 230V ~ 50 цаг
Өөө унах 16а, хамгийн ихдээ 3680w
Үлгээрээ ачаалал 230V ~, 4A /COS0.4.4.4
3- / 4 дамжуулагч 1 минутаас 7 минут
Нягт нямбай 0-ээс 1 минут: ± 10 секунд
0-ээс 7 минут: ± 18 секунд
IP үнэлгээ IP20
Ажлын температур -10 ° C-ээс 55 ° C хүртэл


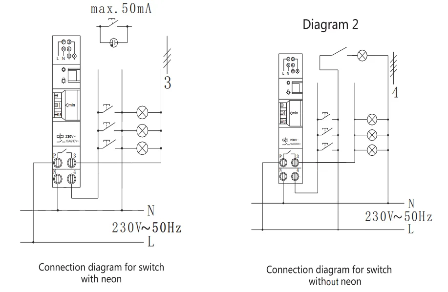
Утасны диаграммууд


Холбох, холбох

1. Цахилгааны унтраалга дээр хялбар суурилуулахад хялбараар угсарч, зүгээр л таймерыг хашгирч, "товших" гэж хэлээд "дарна уу" гэж хэлэхэд цаг хэмжигдэхүүн дээр байрлуул.

2. Timewitch нь шилжүүлэгчтэй холболттой холболттой холболт хийх боломжийг олгодог (неон гэрлээр).

A. Неон, диаграмыг неонгүйгээр шилжүүлэхийн тулд утсыг 1-р диаграм, диаграммаар диаграммаар холбоно уу.

B. БИДНИЙ ТӨЛӨВЛӨГӨӨГИЙН ТӨЛӨВЛӨГӨӨ, ЭМЭГТЭЙ.

C. ХУДАЛДААНЫ ТӨЛӨВЛӨГӨӨНИЙ ТӨЛӨВЛӨГӨӨ, ХЯМДРАЛТАЙ ХЯНАЛТЫН ТУХАЙ ХЯНАЛТЫН ТУХАЙ (1 минутаас 7 минутаас 7 минут хүртэл).

D.Энэ, унтраалга байрлалд байрлуул, цахилгаан унтрааж, Timewitch нь Time Stocking нь тооллын функцэд тохируулах горимд байна.

E.puse Neon шилжүүлэгчийг идэвхжүүлэхийн тулд неон шилжүүлэгчийг идэвхжүүлнэ үү. Урьдчилан төлөвлөхөөс хамааран автоматаар унтрах болно.

е. Неонын нийт гүйдэл 50-аас хэтрэхгүй байх ёстой. Хэрэв неон 1ма гүйдлийг авч явбал, дараа нь тоолох хугацааг тоолох цаг хүртэл 50-аас дээш неон шилжүүлэгчтэй холбогдож болохгүй.

G.For-ийн шилжүүлэгчийг неонгүйгээр сольж, хялбархан хяналтанд байгаа өөр өөр байршилд холбогдох боломжтой.

3. Timeswitching Timewitch-ийг тоолох горимд байгаа бол ямар ч интерфейс байхгүй болно.

Холбогдсон унтраалга руу залгих (NEON шилжүүлэгчтэй хоёуланг нь эсвэл байхгүй). Цаг хугацааны хаалгыг өөр өөр тоолол хүртэл эргүүлнэ.



Hot Tags: Автомат гэрлийн шилжүүлэгч TEFFER TEFFER, Хятад, үйлдвэрлэгч, ханган нийлүүлэгч, үйлдвэр, үйлдвэр
Лавлагаа илгээх
Холбоо барих мэдээлэл

Өнөөдөр таны үзүүлэлттэй өрсөлдөхүйц үнийн санал ирүүлсэн.

Өнөөдөр таны үзүүлэлттэй өрсөлдөхүйц үнийн санал ирүүлсэн.

X
Бид күүки ашиглан танд илүү сайн хайлтын туршлага санал болгож, сайтын урсгалд дүн шинжилгээ хийж, контентыг хувийн болгох. Энэ сайтыг ашигласнаар та күүки ашиглахыг зөвшөөрч байна. Нууцлалын бодлого
Татгалзах Зөвшөөрөх